English
Español
Português
русский
Français
日本語
Deutsch
tiếng Việt
Italiano
Nederlands
ภาษาไทย
Polski
한국어
Svenska
magyar
Malay
বাংলা ভাষার
Dansk
Suomi
हिन्दी
Pilipino
Türkçe
Gaeilge
العربية
Indonesia
Norsk
تمل
český
ελληνικά
український
Javanese
فارسی
தமிழ்
తెలుగు
नेपाली
Burmese
български
ລາວ
Latine
Қазақша
Euskal
Azərbaycan
Slovenský jazyk
Македонски
Lietuvos
Eesti Keel
Română
Slovenski
मराठी
Srpski језик در فرآوری مدرن مواد معدنی، دستیابی به طبقه بندی با راندمان بالا برای بهینه سازی استخراج سنگ معدن و کاهش مصرف انرژی بسیار مهم است. طبقه بندی کننده های مارپیچی به عنوان یک راه حل قابل اعتماد برای جداسازی ذرات ریز از مواد درشت در عملیات آسیاب مرطوب ظاهر شده اند. این دستگاه ها که برای پاسخگویی به نیازها......
ادامه مطلبطبقه بندی مارپیچی یک قطعه ضروری از تجهیزات است که به طور گسترده در صنایع معدنی، متالورژی، شیمیایی و فرآوری مواد معدنی استفاده می شود. نقش مهمی در طبقه بندی، جداسازی و آبگیری مواد ریز بر اساس اندازه ذرات و وزن مخصوص دارد. طراحی مارپیچی و ساختار مکانیکی آن باعث میشود که ذرات معدنی سبک و سنگین را در ی......
ادامه مطلبماشین لباسشویی شن و ماسه یک قطعه مهم از تجهیزات است که به طور گسترده در معادن ، معادن و صنایع ساختمانی مورد استفاده قرار می گیرد. این امر به از بین بردن ناخالصی هایی مانند سیلت ، گرد و غبار و خاک رس از شن و ماسه کمک می کند و از یک محصول نهایی پاک کننده و با کیفیت بالاتر اطمینان می یابد. این اصل ساده......
ادامه مطلبحذف آهن نقش مهمی در اطمینان از آب تمیز و پردازش مواد معدنی کارآمد در صنایع مختلف دارد. در این مقاله به بررسی علم ، طراحی و مزایای تجهیزات حذف آهن ، توضیح نحوه عملکرد آن ، چرا اهمیت و چه چیزی باعث می شود شرکت ماشین آلات استخراج حماسه Qingdao ، Ltd. یک نام قابل اعتماد در این زمینه باشد. این محتوا پارا......
ادامه مطلبدر عملیات صنعتی مدرن ، کارآیی رسیدگی به مواد نقش مهمی در بهره وری و مدیریت هزینه دارد. تجهیزات انتقال در بخش های کارخانه ، معدن و بخش عمده ای از مواد به یک سنگ بنای تبدیل شده است. من به عنوان کسی که از نزدیک با خطوط تولید همکاری کرده است ، من اغلب از خودم می پرسم: چگونه تجهیزات انتقال صحیح می توانند......
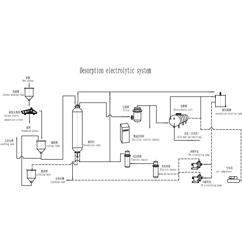
ادامه مطلبتجهیزات سیانیدر به دلیل کارآیی ، دوام و توانایی حداکثر رساندن بازیابی فلزات با ارزش ، به یک راه حل ضروری در صنایع معدن و متالورژی تبدیل شده است. در بازار بسیار رقابتی امروز ، شرکت ها دائماً به دنبال راه حل های قابل اعتماد هستند که ضمن بهبود تولید تولید ، هزینه ها را کاهش می دهد. این جایی است که تجهی......
ادامه مطلب