سیستم الکترولیتی دفع چیست و چرا برای استخراج طلای مدرن ضروری است

2026-04-21 - برای من پیام بگذارید

راسیستم الکترولیتی دفعییک فناوری حیاتی در استخراج طلای مدرن، به ویژه در فرآیندهای کربن در خمیر (CIP) و کربن در شستشو (CIL) است. این وبلاگ به بررسی نحوه عملکرد سیستم، اجزای آن، مزایا و چرایی تبدیل آن به استانداردی در بازیابی کارآمد طلا می پردازد. ما همچنین نشان می دهیم که شرکت ها چگونه دوست دارندحماسهباعث ایجاد نوآوری در این زمینه می شوند. در پایان، درک جامعی از نحوه افزایش بهره وری، کاهش هزینه ها و بهبود نرخ بازیابی توسط این سیستم خواهید داشت.

Desorption Electrolytic System

فهرست مطالب


سیستم الکترولیتی دفعی چیست؟

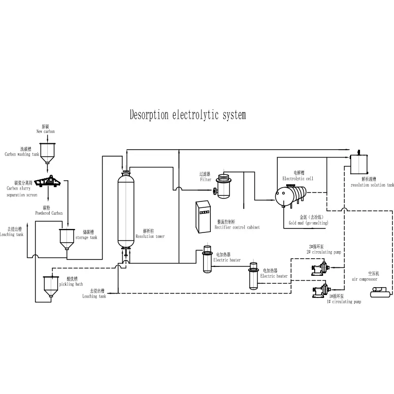
A سیستم الکترولیتی دفعییک سیستم بازیابی طلای پیشرفته است که برای استخراج طلا از کربن فعال استفاده می شود. این به طور گسترده در عملیات معدنکاری استفاده می شود که در آن طلا در طی فرآیند شستشو بر روی ذرات کربن جذب می شود.

  • دفع: طلا را با استفاده از محلول های با دمای بالا و فشار بالا از کربن جدا می کند
  • الکترولیز: طلا را از محلول بر روی کاتدها بازیابی می کند
  • سیستم حلقه بسته: کارایی و حداقل ضرر را تضمین می کند

این سیستم برای بهبود راندمان بازیافت و کاهش هزینه های عملیاتی ضروری است و آن را به یک جزء اصلی در کارخانه های مدرن پردازش طلا تبدیل می کند.


چگونه یک سیستم الکترولیتی دفعی کار می کند

اصل کار aسیستم الکترولیتی دفعیشامل دو مرحله اصلی است:

  1. مرحله دفع:کربن حاوی طلا با محلول سیانید قلیایی داغ تصفیه می شود و یون های طلا را آزاد می کند.
  2. مرحله الکترولیز:محلول غنی از طلا از یک سلول الکترولیتی عبور می کند که در آن طلا بر روی کاتدهای پشم فولادی رسوب می کند.

این فرآیند کارایی بالا را تضمین می‌کند و امکان عملکرد مداوم را فراهم می‌کند، به همین دلیل است که سیستم‌های شرکت‌ها دوست دارندحماسهبه طور گسترده در کاربردهای صنعتی مورد استفاده قرار می گیرند.


اجزای اصلی سیستم

جزء تابع
ستون دفع کربن فعال را نگه می دارد و حذف طلا را تسهیل می کند
سلول الکترولیتی طلا را از طریق الکترولیز بازیابی می کند
مبدل حرارتی دمای مورد نیاز را حفظ می کند
سیستم فیلتر ناخالصی ها را از محلول پاک می کند
سیستم کنترل عملکرد را خودکار می کند و پارامترها را نظارت می کند

هر جزء نقش حیاتی در حصول اطمینان از عملکرد کارآمد و مداوم سیستم ایفا می کند.


مزایا و ویژگی های فنی

  • نرخ بالای بازیابی طلا (تا 98٪)
  • مصرف انرژی کم
  • عملکرد خودکار برای کاهش هزینه های نیروی کار
  • طراحی فشرده برای بهره وری در فضا
  • سازگار با محیط زیست با حداقل انتشار

تولید کنندگان دوست دارندحماسهبه طور مداوم این سیستم ها را برای پاسخگویی به تقاضاهای در حال تحول صنعت بهینه کنید و از عملکرد و قابلیت اطمینان بهتر اطمینان حاصل کنید.


کاربردها در فرآوری طلا

راسیستم الکترولیتی دفعیبه طور گسترده در موارد زیر استفاده می شود:

  • کارخانه های استخراج طلا
  • عملیات CIP (Carbon-in-Pulp).
  • فرآیندهای CIL (Carbon-in-Leach).
  • بازیابی باطله طلا

تطبیق پذیری آن باعث می شود هم برای معادن صنعتی در مقیاس بزرگ و هم برای عملیات های کوچکتر که به دنبال بهبود کارایی هستند مناسب باشد.


مقایسه با روش های سنتی

ویژگی سیستم الکترولیتی دفعی روش های سنتی
کارایی بالا متوسط
اتوماسیون کاملا خودکار دستی یا نیمه اتوماتیک
هزینه هزینه طولانی مدت کمتر هزینه عملیاتی بالاتر
تاثیر زیست محیطی پایین بالاتر

واضح است که سیستم مدرن مزایای قابل توجهی را نسبت به تکنیک های سنتی بازیابی طلا ارائه می دهد.


راهنمای انتخاب برای خریداران

هنگام انتخاب یکسیستم الکترولیتی دفعی، عوامل زیر را در نظر بگیرید:

  • ظرفیت پردازش
  • سطح اتوماسیون
  • بهره وری انرژی
  • شهرت سازنده (به عنوان مثال، EPIC)
  • پشتیبانی پس از فروش

انتخاب سیستم مناسب موفقیت عملیاتی بلند مدت و حداکثر بازگشت سرمایه را تضمین می کند.


نکات نگهداری و عملیاتی

  • به طور منظم خطوط لوله و شیرها را بازرسی کنید
  • سطح دما و فشار را کنترل کنید
  • سلول های الکترولیتی را به صورت دوره ای تمیز کنید
  • قطعات فرسوده را به سرعت تعویض کنید
  • دستورالعمل های سازنده را به شدت دنبال کنید

نگهداری صحیح به طور قابل توجهی طول عمر سیستم را افزایش می دهد و عملکرد ثابت را تضمین می کند.


سوالات متداول

1. هدف اصلی یک سیستم الکترولیتی دفعی چیست؟

هدف اصلی آن استخراج و بازیابی بهینه طلا از کربن فعال است.

2. سیستم چقدر کارآمد است؟

اکثر سیستم ها بسته به شرایط عملیاتی، به نرخ بازیابی طلا بیش از 95٪ دست می یابند.

3. آیا سیستم سازگار با محیط زیست است؟

بله، سیستم های مدرن برای به حداقل رساندن انتشار گازهای گلخانه ای و کاهش ضایعات شیمیایی طراحی شده اند.

4. آیا می توان آن را سفارشی کرد؟

بله، شرکت هایی مانند EPIC راه حل های قابل تنظیم بر اساس نیازهای پردازش را ارائه می دهند.

5. چه صنایعی از این سیستم استفاده می کنند؟

در درجه اول صنعت معدن طلا، بلکه در کاربردهای بازیافت فلزات گرانبها.


نتیجه گیری

راسیستم الکترولیتی دفعینشان دهنده یک پیشرفت در فناوری بازیابی طلا است که کارایی، قابلیت اطمینان و عملکرد زیست محیطی بی نظیری را ارائه می دهد. با پیشرفت های مستمر از رهبران صنعت مانندحماسه، این سیستم به طور فزاینده ای برای عملیات معدنکاری مدرن ضروری می شود. اگر به دنبال بهینه سازی فرآیند استخراج طلا و بهبود سودآوری خود هستید، سرمایه گذاری در یک سیستم با کیفیت بالا یک انتخاب هوشمندانه است.با ما تماس بگیریدامروز برای کسب اطلاعات بیشتر در مورد چگونگی ارائه راه حل های مناسب برای نیازهای شما.

ارسال استعلام

X
ما از کوکی ها استفاده می کنیم تا تجربه مرور بهتری به شما ارائه دهیم، ترافیک سایت را تجزیه و تحلیل کنیم و محتوا را شخصی سازی کنیم. با استفاده از این سایت، شما با استفاده ما از کوکی ها موافقت می کنید. سیاست حفظ حریم خصوصی