چگونه تجهیزات سیانیدینگ بازیابی طلا و ایمنی سایت را بهبود می بخشد؟

2026-01-08 - برای من پیام بگذارید

اگر تا به حال احساس کرده اید که سیانیداسیون "موثر، اما استرس زا" است، آن را تصور نمی کنید. شیمی کار می کند - اما واقعیت روزانه می تواند آشفته باشد: سنگ معدن متغیر، مصرف بیش از حد معرف، تلفات کربن، خرابی غیرمنتظره، و فشار ثابت برای کارکرد ایمن و مداوم. این مقاله به چه چیزی می پردازدتجهیزات سیانوردر واقع باید برای شما انجام دهد، چه چیزی را قبل از خرید بپرسید، و چگونه از گرانترین اشتباهات جلوگیری کنید.


چکیده

مدرنتجهیزات سیانورفقط مجموعه‌ای از مخازن نیست، بلکه یک سیستم متصل است که برای کنترل شرایط آبشویی، تثبیت بازیافت، کاهش ضایعات معرف و قابل پیش‌بینی نگه داشتن سیانید طراحی شده است. خریداران معمولاً با چهار نقطه درد دست و پنجه نرم می کنند: بازیابی ناسازگار، هزینه عملیاتی بالا، کنترل های ایمنی ضعیف و سردردهای تعمیر و نگهداری. در زیر، یک نمای عملی از کف گیاهی از ماژول‌های سیانید (شستشو، جذب، دفع/الکترووینینگ، سم‌زدایی، و ابزار دقیق)، یک ماتریس انتخاب، نکات راه‌اندازی، و بخش پرسش‌های متداول که می‌توانید در طول مکالمات با تامین‌کننده استفاده کنید، دریافت خواهید کرد.


فهرست مطالب


طرح کلی در یک نگاه

  • "من به سیانوراسیون نیاز دارم" را به یک محدوده تجهیزات کامل و قابل کنترل ترجمه کنید.
  • شناسایی کنید که کدام ماژول باعث تلفات شما می شود (بازیابی، معرف، کربن یا خرابی).
  • از یک ماتریس ساده برای مقایسه راه حل ها برای نوع سنگ معدن و محدودیت ها استفاده کنید.
  • با چک لیستی که طرح های ضعیف را به سرعت در معرض دید قرار می دهد، در جلسات تامین کنندگان شرکت کنید.

امتیازات دردناک خریدار واقعی

وقتی مردم برای خریدتجهیزات سیانور، آنها اغلب می گویند "من به بهبودی بیشتری نیاز دارم." منظور آنها معمولاً این است: "من به بازیابی نیاز دارم که حتی زمانی که سنگ معدن تغییر می کند، اپراتورها می چرخند و سایت از راه دور است." در اینجا نقاط دردناکی وجود دارد که بارها و بارها ظاهر می شوند:

  • نوسانات ریکاوریناشی از تنوع سنگ معدن، مشکلات آسیاب، محدودیت های اکسیژن، یا کنترل ضعیف pH.
  • خزش هزینه معرفاز مصرف بیش از حد سیانید یا آهک "فقط برای ایمن بودن".
  • مشکلات کربنمانند رسوب گیری، از دست دادن ساییدگی، یا سینتیک جذب ضعیف.
  • خرابیاز خرابی پمپ/شیر، سایش دوغاب ساینده یا طرح‌بندی‌های غیرقابل دسترسی.
  • استرس ایمنیدر اطراف ذخیره سازی سیانید، دوز، و آمادگی واکنش اضطراری.

طراحی خوب تجهیزات همه پیچیدگی ها را از بین نمی برد، اما باید حدسیات را حذف کند.


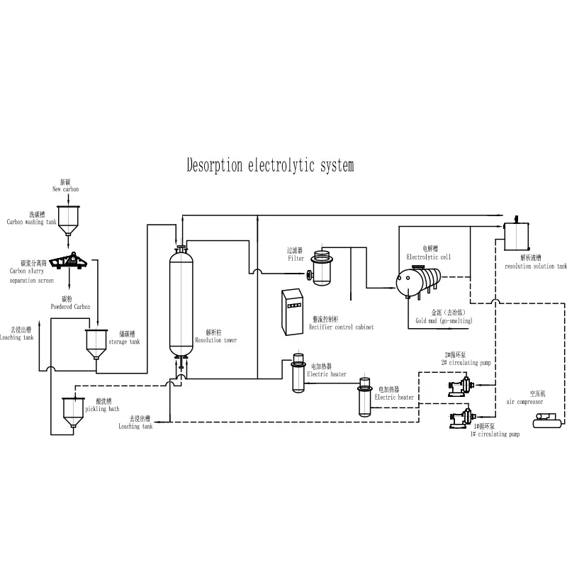
آنچه "تجهیزات سیانور" شامل می شود

Cyaniding Equipment

حداقل،تجهیزات سیانورباید به عنوان سیستمی درک شود که از این توابع پشتیبانی می کند:

  • لیچینگ: ارائه زمان، اختلاط و کنترل شیمی برای انحلال.
  • گرفتن طلا: جذب روی کربن فعال (CIP/CIL) یا مسیرهای بارش.
  • بازیابی طلا: دفع و الکترووینینگ (یا مدارهای بازیابی جایگزین).
  • سم زدایی و جابجایی باطله: سیانید باقیمانده را تا حد قابل قبول کاهش دهید.
  • ابزار دقیق و کنترل: اندازه گیری و تثبیت pH، اکسیژن محلول، جریان و دوز.

اگر یک تامین کننده فقط در مورد "مخازن" صحبت می کند، آنها را فشار دهید تا کل جریان و نقاط کنترل را تعریف کنند. سیانیداسیون در شرایط آزمایشگاهی بخشنده است. در شرایط آشفته میدان بخشنده نیست.


نقشه فرآیند واضح از Ore تا Doré

در حالی که هر گیاهی متفاوت است، بیشتر مسیرهای سیانیداسیون از یک ستون فقرات قابل تشخیص پیروی می کنند. از این نقشه برای بررسی کامل بودن بسته پیشنهادی استفاده کنید:

مرحله آنچه باید به آن دست یابد ریسک "پنهان" معمولی
قبل از درمان (در صورت نیاز) طلا را در دسترس قرار دهید و از افزایش مصرف سیانید جلوگیری کنید نادیده گرفتن سولفیدهای پیش از سرقت، مس بالا یا سولفیدهای واکنش پذیر
لیچینگ اختلاط پایدار، pH کنترل شده و اکسیژن کافی مناطق مرده، انتقال ضعیف اکسیژن، PH نامنظم از سیستم آهک ضعیف
جذب (CIL/CIP) طلای حل شده را به طور موثر ضبط کنید اندازه کربن اشتباه / روش انتقال. تلفات کربن
شستشو / دفع طلا را با اطمینان از کربن جدا کنید گرمایش/جریان ناسازگار منجر به راندمان پایین کشیدن می شود
ذوب الکتریکی / ذوب دوره را بازیابی و تولید کنید سلول های کم اندازه، مدیریت ضعیف الکترولیت، مشکلات مربوط به مدیریت لجن
سم زدایی سیانید باقیمانده را قبل از تخلیه/باطله کاهش دهید طراحی با تغییرات توان عملیاتی یا شیمی باطله مطابقت ندارد

ماژول های کلیدی و آنچه باید بررسی شود

1) تانک های شستشو و هم زدن

  • آیا طرح اختلاط برای چگالی دوغاب و سایندگی شما مناسب است؟
  • آیا سیستم می تواند PH پایدار را تحت تنوع سنگ معدن حفظ کند؟
  • آیا افزودن اکسیژن در سایت شما عملی است (و آیا انتقال اکسیژن در طراحی در نظر گرفته شده است)؟
  • آیا چیدمان امکان بازرسی آسان پروانه ها، آسترها و یاتاقان ها را فراهم می کند؟

2) جذب و انتقال کربن

  • آیا صفحه نمایش های بین مرحله ای برای جلوگیری از انتقال کربن به اندازه کافی مقاوم هستند؟
  • آیا انتقال کربن برای کاهش شکستگی و تلفات مهندسی شده است؟
  • آیا طراحی با تمیز کردن و کنترل موجودی کربن سازگار است؟

3) دفع و الکترووینینگ

  • آیا مدار شستشو با انتظارات بارگیری کربن شما مطابقت دارد؟
  • آیا کنترل‌های گرمایش و جریان پایدار هستند (نه «وابسته به اپراتور»)؟
  • آیا مدیریت لجن برنامه ریزی شده است، نه بداهه؟

4) دوز و اندازه گیری سیانید

  • آیا دوز خودکار با اینترلاک است یا کاملاً دستی؟
  • برنامه کالیبراسیون و نگهداری سنسور در یک محیط معدن واقعی چیست؟
  • آیا نقاط نمونه برداری امن و در موقعیت مناسبی قرار گرفته اند یا یک فکر بعدی؟

5) سم زدایی

  • آیا طراحی سم زدایی بر اساس اهداف تخلیه و شیمی باطله شما است؟
  • آیا می تواند بدون اجبار خاموش شدن، جهش های کوتاه مدت را مدیریت کند؟

نکته کاربردی:پیشنهادی که روی کاغذ ارزان‌تر به نظر می‌رسد، اغلب هزینه‌ها را به سمت عملیات سوق می‌دهد - سیانور اضافی، آهک اضافی، کار تعمیر و نگهداری اضافی، و رفتار "قهرمانانه" اپراتور. صورت حساب دیرتر می رسد.


مبانی اندازه و مشخصات

برای پرسیدن سؤالات مربوط به اندازه که از بودجه شما محافظت می کند، لازم نیست متالورژیست باشید. برایتجهیزات سیانور، منطق اندازه هسته حول توان، زمان اقامت و انتقال جرم می چرخد. قبل از پذیرش هر طرح نهایی، مطمئن شوید که این ورودی ها به صراحت بیان شده اند:

  • توان عملیاتی طراحی(متوسط ​​و اوج، به علاوه تنوع فصلی مورد انتظار).
  • اندازه آسیاب مورد نظرو چه اتفاقی می افتد اگر آسیاب درشت تر شود.
  • زمان اقامت لیچو اینکه آیا بر اساس آزمون است یا فرضیات.
  • طرح pH و قلیائیت(از جمله آماده سازی آهک و پایداری دوز).
  • استراتژی اکسیژن(هوا، اکسیژن یا هیچکدام) و تاثیر مورد انتظار بر روی سینتیک.
  • موجودی کربن(چه مقدار کربن، کجا می نشیند و چگونه نظارت می شود).

اگر یک تامین کننده نمی تواند این موارد را به زبان ساده توضیح دهد، آن را به عنوان یک سیگنال خطر تلقی کنید - نه یک جنبه فنی.


ایمنی و کنترل سیانید که در واقع پابرجاست

ایمنی یک پوستر روی دیوار نیست. با سیانیداسیون، در طراحی فیزیکی و کنترل معمولی تعبیه شده است. قویتجهیزات سیانوربسته ها معمولاً شامل:

  • دارای ذخیره سازی و انتقالبا مسیرهای نشت روشن و منطق بسته بندی.
  • دوز بهم پیوستهبنابراین در صورت عدم رعایت شرایط کلیدی نمی توان سیانید را اضافه کرد.
  • طرح نمونه برداری واضحکه خطر قرار گرفتن در معرض در طول بررسی های معمول را کاهش می دهد.
  • آمادگی اضطراریبه عنوان بخشی از مجموعه رویه عملیاتی، نه یک سند الحاقی.

از دیدگاه خریدار، کار شما ساده است: پیشنهاد را مجبور کنید که دقیقاً نحوه تعامل افراد با سیستم را نشان دهد. کجا ایستاده اند؟ چه چیزی را لمس می کنند؟ چگونه تجهیزات را جدا می کنند؟ آنها به خرابی آب بندی پمپ در ساعت 2 بامداد چگونه پاسخ می دهند؟


هزینه های عملیاتی واقعا از کجا می آیند

اگر هزینه هر اونس شما به سمت بالا حرکت می کند، معمولاً یک شکست چشمگیر نیست - بلکه نشت های کوچک در سیستم است که ترکیب می شود. در سیانوراسیون، رایج ترین محرک های هزینه عبارتند از:

  • مصرف سیانورتوسط مواد معدنی واکنش پذیر، عادات مصرف بیش از حد، یا حلقه های کنترل ضعیف هدایت می شود.
  • مصرف آهکزمانی که کنترل pH ناپایدار است یا شیمی دوغاب به خوبی درک نشده است.
  • از دست دادن کربناز طریق ساییدگی، مشکلات صفحه نمایش، یا طراحی ضعیف انتقال.
  • قدرت و نگهداریاز هم زدن بیش از حد، قطعات سایش طراحی نشده، و چیدمان های سخت برای سرویس.
علامت علت احتمالی ریشه ویژگی تجهیزاتی که کمک می کند
هنگامی که سنگ معدن تغییر می کند، بازیابی کاهش می یابد بی ثباتی pH/DO؛ اختلاط ضعیف؛ زمان اقامت ناکافی هم زدن قوی، ابزار دقیق کنترل بهتر، ظرفیت مخزن انعطاف پذیر
هزینه سیانور همچنان در حال افزایش است مصرف بیش از حد؛ مواد معدنی پر مصرف سیانید؛ اندازه گیری ضعیف دوز کنترل شده، نقاط نمونه برداری قابل اعتماد، اینترلاک هوشمندتر
موجودی کربن "به طرز مرموزی" کوچک می شود خرابی صفحه نمایش؛ زیان انتقال؛ فرسایش صفحه نمایش های بین مرحله ای بادوام، طراحی انتقال ملایم، حسابداری کربن شفاف
خاموشی های مکرر سایش قطعات، آب بندی پمپ، مشکلات دسترسی مواد مقاوم در برابر سایش، دسترسی به تعمیر و نگهداری، قطعات یدکی استاندارد

قابلیت اطمینان و طراحی تعمیر و نگهداری

Cyaniding Equipment

اگر تعمیر و نگهداری در آن طراحی نشده باشد، مدار سیانیداسیون می‌تواند "کامل" به نظر برسد و همچنان غیرقابل اعتماد باشد. از نحوه برخورد تامین‌کننده بپرسید:

  • انتخاب موادبرای مناطق دوغاب ساینده و مناطق تماس سیانید.
  • دسترسی داشته باشیدبه صفحه نمایش ها، پروانه ها، آسترها، پمپ ها و ابزار دقیق.
  • استراتژی قطعات یدکیکه با واقعیت سایت شما مطابقت دارد (زمان سرب، تدارکات، انبارداری).
  • استانداردسازیبرای کاهش تعداد اقلام پوشیدنی منحصر به فرد.

در عملیات از راه دور، "نگهداری آسان" می تواند ارزش بیشتری نسبت به "روی کاغذ کمی کارآمدتر" داشته باشد.


سوالات تامین کننده که باید بپرسید

از این چک لیست در جلسات استفاده کنید. این طراحی شده است تا پیشنهادات ضعیف را به سرعت ارائه دهد - بدون اینکه مکالمه را به بحث تبدیل کند.

  • کدام خطرات سنگ معدن در نظر گرفته شده است، و به طور فعال برای کدام یک مهندسی شده است؟
  • ورودی های طراحی برای زمان اقامت، محدوده pH و استراتژی اکسیژن چیست؟
  • دوز سیانید چگونه کنترل می شود و در هنگام خرابی سنسور چه اتفاقی می افتد؟
  • چگونه از اتلاف کربن در عملیات معمول جلوگیری و اندازه گیری می شود؟
  • برنامه دسترسی تعمیر و نگهداری صفحه نمایش، همزن و پمپ چیست؟
  • چک های توصیه شده اپراتور در هر شیفت چیست و چگونه ایمن می شوند؟
  • چه پشتیبانی راه اندازی شامل، و چه آموزش اپراتور ارائه شده است؟

اگر فروشنده‌ها را ارزیابی می‌کنید، می‌توانید با سازنده‌ای صحبت کنید که می‌تواند بسته کامل سیانیداسیون را ارائه کند و جزئیات یکپارچه‌سازی را پشتیبانی کند. به عنوان مثال، Qingdao EPIC Mining Machinery Co.,Ltd.راه‌حل‌های تجهیزات پردازش معدن را ارائه می‌کند که در آن بسته‌های سیانیداسیون به‌عنوان سیستم‌ها - شستشو، جذب، بازیابی و کنترل - به جای مجموعه‌ای از مخازن جدا شده در نظر گرفته می‌شوند.


سوالات متداول

چه چیزی باعث می‌شود که تجهیزات سیانید به جای اولیه «مدرن» باشد؟

طرح‌های مدرن بر قابلیت کنترل و تکرار تمرکز دارند: دوز پایدار، اندازه‌گیری قابل اعتماد، نمونه‌برداری ایمن‌تر، حفاظت از سایش قوی، و طرح‌بندی‌هایی که بداهه‌سازی اپراتور را کاهش می‌دهند. هدف بازیابی مداوم با ضایعات معرف کمتر و خاموشی کمتر است.

آیا تجهیزات سیانیدینگ می تواند سنگ معدن کم عیار را از نظر اقتصادی مدیریت کند؟

می تواند، اما فقط زمانی که مدار حول سینتیک و مشخصات مصرف شما مهندسی شده باشد. عملیات درجه پایین نسبت به مصرف بیش از حد معرف و خرابی حساس هستند، بنابراین سیستم های کنترل، طراحی سایش و مدیریت کربن اهمیت ویژه ای پیدا می کنند.

چگونه بفهمم که به CIP یا CIL نیاز دارم؟

انتخاب معمولاً به سینتیک شستشو و سرعت جذب طلای حل شده بستگی دارد. اگر طلا به سرعت حل می شود و می خواهید فوراً جذب شود، CIL می تواند جذاب باشد. اگر لیچینگ از جداسازی قبل از جذب سود می برد، CIP ممکن است مناسب تر باشد. آزمایش‌های متالورژی و محدودیت‌های عملی سایت باید باعث تصمیم‌گیری شوند.

چرا مصرف سیانور گاهی اوقات به طور ناگهانی افزایش می یابد؟

علل شایع شامل تغییرات معدنی سنگ معدن، کنترل ضعیف pH، محدودیت غیرمنتظره اکسیژن، یا آلودگی در آب فرآیند است. یک طرح کنترل خوب به همراه نقاط نمونه برداری قابل اعتماد، تشخیص و تصحیح سریع این اسپک ها را آسان تر می کند.

اگر سایت من از راه دور و کم پرسنل است، چه چیزی را باید در اولویت قرار دهم؟

قابلیت نگهداری و اتوماسیونی را که کار دستی را کاهش می‌دهد اولویت دهید: صفحه‌نمایش‌های بادوام، چیدمان تجهیزات در دسترس، قطعات یدکی استاندارد، دوز قفل شده، و روال‌های عملیاتی واضح که به «یک اپراتور متخصص» متکی نیستند.


جمع بندی

خریدتجهیزات سیانوردر نهایت در مورد کاهش عدم قطعیت است. شیمی ممکن است ثابت شده باشد، اما سودآوری شما به کنترل مداوم، تعمیر و نگهداری عملی و ایمنی بستگی دارد که بر روی تغییرات واقعی با افراد واقعی کار می کند. اگر در حال برنامه‌ریزی یک کارخانه جدید یا ارتقاء مدار موجود هستید، واقعیت‌های سنگ معدن، اهداف توان عملیاتی و محدودیت‌های سایت را به روی میز بیاورید و بر پیشنهادی که سیانیداسیون را به عنوان یک سیستم کامل و قابل کنترل تلقی می‌کند، اصرار کنید.

آیا آماده اید تا طرح سیانوراسیون خود را به یک عملیات قابل اعتماد و با هزینه کم تبدیل کنید؟نوع سنگ، ظرفیت هدف و شرایط سایت خود را به اشتراک بگذارید وبا ما تماس بگیریدبرای بحث در مورد پیکربندی تجهیزات عملی که متناسب با کارخانه و اپراتور شما باشد.

ارسال استعلام

X
ما از کوکی ها استفاده می کنیم تا تجربه مرور بهتری به شما ارائه دهیم، ترافیک سایت را تجزیه و تحلیل کنیم و محتوا را شخصی سازی کنیم. با استفاده از این سایت، شما با استفاده ما از کوکی ها موافقت می کنید. سیاست حفظ حریم خصوصی